產品概述
采用精密的J形彈性密封圈和三偏心多層次金屬硬密封結構,被廣泛用于介質溫度≤425℃的治金 、電力、石油化工、以及給排水和市政建設等工業管道上,作調節流量和載斷流體使用。該閥采用三偏心結構,閥座與碟板密封面均采用不同硬度和不銹鋼制作,具有良好的耐腐蝕性,使用壽命長,本閥均有雙向密封功能。
產品特點
本閥采用三偏心密封結構,閥座與蝶板幾乎無磨損,具有越關越緊的密封功能。
密封圈選用不銹鋼制作,具有金屬硬密封和彈性密封的雙重優點,無論在低溫和高溫的情況下,均具有優良的密封性能,具有耐腐蝕,使用壽命長等特點。
碟板密封面采用堆焊鈷基硬質合金,密封面耐磨損,使用壽命長.
大規格蝶板采用絎架結構,強度高,過流面積大,流阻小。
本閥具有雙向密封功能,安裝時不受介質流向的限制,也不受空間位置的影響,可在任何方向安裝。
驅動裝置可以多工位(旋轉90°或180°)安裝,便于用戶使用。
技術參數
| 公稱通徑DN(mm) | 50-1200 |
| 公稱壓力PN(MPa) | 1.6 | 2.5 | 4.0 |
| 公稱壓力(MPa) | 強度試驗 | 2.4 | 3.75 | 6.0 |
| 密封試驗 | 1.76 | 2.75 | 4.4 |
| 材料\材料代號 | C | P | R |
| 主要零件 | 閥體 | WCB | ZG1Cr18Ni9Ti | ZG0Cr18Ni12Mo2Ti |
| 蝶板 | WCB | ZG1Cr18Ni9Ti | ZG0Cr18Ni12Mo2Ti |
| 閥桿 | 2Cr13 | 1Cr18Ni9Ti | 0Cr18Ni12Mo2Ti |
| 密封圈 | 四氟 不銹鋼 |
| 填料 | 四氟 柔性石墨 |
| 適用工況 | 適用介質 | 水、蒸汽、油品 | 硝酸類 | 醋酸類 |
| 適用溫度 | 碳鋼:-29℃~425℃ 不銹鋼:-40℃~550℃ |
| 執行器 | 型號 | GT系列、AT系列、AW系列 |
| 氣源壓力 | 0.4-0.7Mpa |
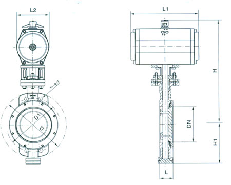
外形尺寸

主要外形及連接尺寸 NBKVD673(H、Y、F)-16(1.6Mpa)
| 公稱通徑 DN | 外形尺寸 | 連接尺寸 | 執行器型號 * |
| L | L1 | L2 | H | H1 | D | D1 | n-φd |
| 50 | 43 | 164214 | 75/91 | 277/205 | 65 | 165 | 125 | 4-φ18 | GTD65/GTE80 |
| 65 | 46 | 164/214 | 75/91 | 287/315 | 75 | 185 | 145 | 4-φ18 | GTD65/GTE80 |
| 80 | 46 | 190/246 | 91/101 | 365/375 | 85 | 200 | 160 | 8-φ18 | GTD80/GTE90 |
| 100 | 52 | 210/295 | 101/112 | 420/436 | 130 | 220 | 180 | 8-φ18 | GTD90/GTE100 |
| 125 | 56 | 247/398 | 112/139 | 436/462 | 175 | 250 | 210 | 8-φ18 | GTD100/GTE125 |
| 150 | 56 | 308/478 | 139/176 | 466/543 | 190 | 285 | 240 | 8-φ22 | GTD125/GTE160 |
| 200 | 60 | 378/724 | 176/228 | 593/665 | 215 | 340 | 295 | 12-φ22 | GTD160/GTE210 |
| 250 | 68 | 432/928 | 206/275 | 682/752 | 265 | 405 | 355 | 12-φ26 | GTD190/GTE255 |
| 300 | 78 | 524/928 | 228/275 | 725/772 | 305 | 460 | 410 | 12-φ26 | GTD210/GTE255 |
| 350 | 78 | 648/1033 | 275/324 | 832/880 | 340 | 520 | 470 | 16-φ26 | GTD255/GTE300 |
| 400 | 102 | 648/1129 | 275/380 | 862/968 | 360 | 580 | 525 | 16-φ30 | GTD255/GTE350 |
| 450 | 114 | 715/1845 | 324/527 | 945/1005 | 400 | 640 | 585 | 20-φ30 | GTD300/AW28S |
| 500 | 127 | 795/1845 | 380/527 | 1058/1060 | 430 | 715 | 650 | 20-φ33 | GTD350/AW28S |
| 600 | 154 | 795/2605 | 380/545 | 1108/1195 | 490 | 840 | 770 | 20-φ36 | GTD350/AW35S |
| 700 | 165 | 1380/2605 | 527/545 | 1170/1255 | 555 | 910 | 840 | 24-φ36 | AW28/AW35S |
| 800 | 190 | 1860/2605 | 545/545 | 1325/1365 | 620 | 1025 | 950 | 24-φ39 | AW35/AW40S |
注:數據 XXX,XXX分別是氣動執行器雙作用式/單作用式(彈簧復位)。
*根據不同的閥門扭矩、使用介質選配,不同的執行器型號.其相關尺寸隨之變化。
GT系列氣動執行器可配至DN600,AW系列氣動執行器可配蝶閥至DN200~1600。
主要外形及連接尺寸 D673(H、Y、F)-25(2.5Mpa)
| 公稱通徑 DN | 外形尺寸 | 連接尺寸 | 執行器型號 * |
| L | L1 | L2 | H | H1 | D | D1 | n-φd |
| 50 | 43 | 164/214 | 75/91 | 277/305 | 65 | 165 | 125 | 4-φ18 | GTD65/GTE80 |
| 65 | 46 | 164/214 | 75/91 | 287/325 | 75 | 185 | 145 | 8-φ18 | GTD65/GTE90 |
524/1030 | 275/380 | 665/760 | 215 | 375 | 320 | 12-φ30 | GTD210/GTE300 |
| 250 | 68 | 648/1129 | 324/460 | 752/858 | 265 | 450 | 385 | 12-φ33 | GTD255/GTE350 |
| 300 | 78 | 715/1845 | 380/460 | 820/880 | 305 | 515 | 450 | 16-φ33 | GTD300/AW28S |
| 350 | 78 | 795/1845 | 460/545 | 938/940 | 340 | 580 | | | |