產品概述
型 號:NBKVD643(H、Y、F)-16、25、40
公稱通徑:DN50~800
公稱壓力:1.6~4.0MPa
使用溫度:-40℃~550℃
氣動法蘭式硬密封蝶閥采用三偏心多層次金屬密封結構,無機械磨損,可達到零泄漏,有優良的雙向密封功能,是用于石油、化工、冶金、電力、食品、醫藥、給排水、氣體輸送等不同介質的管路上作調節流量、截斷或接通流體的裝置。
選用不同的材質,可分別適用于水、污水、海水、空氣、蒸汽、煤氣、可燃氣體、腐蝕性介質、油品及食品等介質,最高工作溫度可達600℃。
產品特點
1 、體積小、重量輕、具有優良的切斷性能。
2 、蝶板密封面設計成相對蝶板軸心為一斜截圓錐面,使得蝶板密封面與閥座密封面有一定的接觸角,這個接觸角均勻地圍繞其圓周面相等于一個細長的楔形,并且蝶板圓周縱向處的密封線呈一準橢圓形曲線,兩者同時起著密封的補償作用。
3 、蝶板密封面在關閉狀態下,受力均勻,承壓能力高;蝶板在開啟過程中,密封面各點同時完成脫離閥座密封面的動作,無擠卡現象,基本無摩擦,開啟力矩極小。因此,成本低,密封性能好,壽命長。
4 、各種密封結構供選擇,保證使用壽命及可靠性。蝶閥密封圈有整體式軟密封(PTFE , C-TFE , G-TFE )、硬化金屬片式、整體式+硬質合金,適用于各種工況。
5 、能實現雙向密封功能,既可以調節,又具有切斷功能。
6 、執行機構低摩擦力、工作效率高、推力大、安全性好。
7 、執行機構靈巧型、組合型(手動機構)的設計,可保證各方向的隨意安裝以及靈活控制。
8 、簡捷醒目、可靠一體化的行程指示及限位開關和電磁閥的組合安裝、無外接管路、減少泄漏點。
9、多種執行機構形式供選擇、滿足不同用戶要求。
10 、裝配維修方便,具有優越的性能價格比。
技術參數
| 公稱通徑DN(mm) | 50-1200 |
| 公稱壓力PN(Mpa) | 1.6 | 2.5 | 4.0 |
| 公稱壓力(Mpa) | 強度試驗 | 2.4 | 3.75 | 6.0 |
| 密封試驗 | 1.76 | 2.75 | 4.4 |
| 材料\材料代號 | C | P | R |
| 主要零件 | 閥體 | WCB | ZG1Cr18Ni9Ti | ZG0Cr18Ni12Mo2Ti |
| 蝶板 | WCB | ZG1Cr18Ni9Ti | ZG0Cr18Ni12Mo2Ti |
| 閥桿 | 2Cr13 | 1Cr18Ni9Ti | 0Cr18Ni12Mo2Ti |
| 密封圈 | 四氟 不銹鋼 |
| 填料 | 四氟 柔性石墨 |
| 適用工況 | 適用介質 | 水、蒸汽、油品 | 硝酸類 | 醋酸類 |
| 適用溫度 | 碳鋼:-29℃~425℃ 不銹鋼:-40℃~550℃ |
| 執行器 | 型號 | GT系列、AT系列、AW系列 |
| 氣源壓力 | 0.4-0.7Mpa |
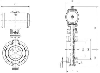
外形尺寸

主要外形及連接尺寸 NBKVD643(H、Y、F)-16(1.6MPpa)
| 公稱通徑 DN | 外形尺寸 | 連接尺寸 | 執行器型號 |
| L | L1 | L2 | H | H1 | D | D1 | D2 | f | n-φd |
| 50 | 108 | 164/214 | 75/91 | 277/205 | 65 | 165 | 125 | 99 | 3 | 4-φ18 | GTD65/GTE80 |
| 65 | 112 | 164/214 | 75/91 | 287/315 | 75 | 185 | 145 | 118 | 3 | 4-φ18 | GTD65/GTE80 |
| 80 | 114 | 190/246 | 91/101 | 365/375 | 85 | 200 | 160 | 132 | 3 | 8-φ18 | GTD80/GTE90 |
| 100 | 127 | 210/295 | 101/112 | 420/436 | 130 | 220 | 180 | 156 | 3 | 8-φ18 | GTD90/GTE100 |
| 125 | 140 | 247/398 | 112/139 | 436/462 | 175 | 250 | 210 | 184 | 3 | 8-φ18 | GTD100/GTE125 |
| 150 | 140 | 308/478 | 139/176 | 466/543 | 190 | 285 | 240 | 211 | 3 | 8-φ22 | GTD125/GTE160 |
| 200 | 152 | 378/724 | 176/228 | 593/665 | 215 | 340 | 295 | 266 | 3 | 12-φ22 | GTD160/GTE210 |
| 250 | 165 | 432/928 | 206/275 | 682/752 | 265 | 405 | 355 | 319 | 3 | 12-φ26 | GTD190/GTE255 |
| 300 | 178 | 524/928 | 228/275 | 725/772 | 305 | 460 | 410 | 370 | 4 | 12-φ26 | GTD210/GTE255 |
| 350 | 190 | 648/1033 | 275/324 | 832/880 | 340 | 520 | 480 | 429 | 4 | 16-φ26 | GTD255/GTE300 |
| 400 | 216 | 648/1129 | 275/380 | 862/968 | 360 | 580 | 525 | 480 | 4 | 16-φ30 | GTD255/GTE350 |
| 450 | 222 | 715/1845 | 324/527 | 945/1005 | 400 | 640 | 585 | 548 | 4 | 20-φ30 | GTD300/AW28S |
| 500 | 229 | 795/1845 | 380/527 | 1058/1060 | 430 | 715 | 650 | 609 | 4 | 20-φ33 | GTD350/AW28S |
| 600 | 267 | 795/2605 | 380/545 | 1108/1195 | 490 | 840 | 770 | 720 | 5 | 20-φ36 | GTD350/AW35S |
| 700 | 292 | 1380/2605 | 1170/1255 | 1170/1255 | 555 | 910 | 840 | 794 | 5 | 24-φ36 | AW28/AW35S |
| 800 | 318 | 1860/2605 | 1325/1365 | 1325/1365 | 620 | 1025 | 950 | 901 | 5 | 24-φ39 | AW35/AW40S |
注:數據XXX/XXX分別是氣動執行器雙作用式/單作用式<彈簧復位>。
根據不同的閥門扭矩,使用介質選配,不同的執行器型號,其相關尺寸隨之變化。
GT系列氣動執行器可配至DN600,AW系列氣動執行器可配蝶閥至DN200--1600。
主要外形及連接尺寸主要外形及連接尺寸NBKVD643(H、Y、F)-25(2.5MPpa)
| 公稱通徑 DN | 外形尺寸 | 連接尺寸 | 執行器型號 |
| L | L1 | L2 | H | H1 | D | D1 | D2 | f | n-φd |
| 50 | 108 | 164/214 | 75/91 | 277/305 | 65 | 165 | 125 | 99 | 3 | 4-φ18 | GTD65/GTE80 |
| 65 | 112 | 164/214 | 75/91 | 287/325 | 75 | 185 | 145 | 118 | 3 | 8-φ18 | GTD65/GTE90 |
| 80 | 114 | 190/295 | 91/112 | 365/391 | 85 | 200 | 160 | 132 | 3 | 8-φ18 | GTD80/GTE100 |
| 100 | 127 | 210/340 | 101/127 | 420/457 | 130 | 235 | 190 | 156 | 3 | 8-φ22 | GTD90/GTE115 |
| 125 | 140 | 247/395 | 112/139 | 436/462 | 175 | 270 | 220 | 184 | 3 | 8-φ26 | GTD100/GTE125 |
| 150 | 140 | 308/438 | 139/176 | 466/543 | 190 | 300 | 250 | 211 | 3 | 8-φ26 | GTD125/GTE160 |
| 200 | 152 | 378/724 | 176/228 | 593/665 | 215 | 360 | 310 | 274 | 3 | 12-φ26 | GTD160/GTE210 |
| 250 | 165 | 432/928 | 206/275 | 682/752 | 265 | 425 | 370 | 330 | 3 | 12-φ30 | GTD190/GTE255 |
| 300 | 178 | 524/1033 | 228/324 | 702/820 | 305 | 485 | 430 | 389 | 4 | 16-φ30 | GTD210/GTE300 |
| 350 | 190 | 648/1129 | 275/380 | 832/938 | 340 | 555 | 490 | 448 | 4 | 16-φ33 | GTD255/GTE350 |
| 400 | 216 | 715/1129 | 324/380 | 910/968 | 360 | 620 | 550 | 503 | 4 | 16-φ36 | GTD300/GTE350 |
| 450 | 222 | 795/1845 | 380/527 | 1005/1010 | 400 | 670 | 640 | 548 | 4 | 20-φ36 | GTD350/AW28S |
| 500 | 229 | 795/1845 | 380/527 | 1058/1065 | 430 | 730 | 660 | 609 | 4 | 20-φ36 | GTD350/AW28S |
| 600 | 267 | 1380/2605 | 507/545 | 1110/1195 | 490 | 845 | 770 | 770 | 4 | 20-φ39 | AW28/AW35S |
| 700 | 292 | 1860/2605 | 545/545 | 1255/1295 | 555 | 960 | 875 | 875 | 5 | 24-φ42 | AW28/AW40S |
| 800 | 318 | 1860/2605 | 545/545 | 1325/1365 | 1085 | 1085 | 990 | 990 | 5 | 24-φ48 | AW35/AW40S |
主要外形及連接尺寸NBKVD643(H、Y、F)-40(4.0MPpa)
| 公稱通徑 DN | 外形尺寸 | 連接尺寸 | 執行器型號 |
| L | L1 | L2 | H | H1 | D | D1 | D2 | f | n-φd |
| 50 | 108 | 164/214 | 75/91 | 277/305 | 65 | 165 | 125 | 99 | 3 | 4-φ18 | GTD65/GTE80 |
| 65 | 112 | 190/295 | 91/112 | 310/341 | 75 | 185 | 145 | 118 | 3 | 8-φ18 | GTD80/GTE100 |
| 80 | 114 | 210/340 | 106/127 | 375/412 | 85 | 200 | 160 | 132 | 3 | 8-φ18 | GTD90/GTE115 |
| 100 | 127 | 247/398 | 139/176 | 436/462 | 130 | 235 | 190 | 156 | 3 | 8-φ22 | GTD100/GTE125 |
| 125 | 140 | 308/478 | 176/228 | 13 | 175 | 270 | 220 | 184 | 3 | 8-φ26 | GTD125/GTE160 |
| 150 | 140 | 378/724 | 228/324 | 543/615 | 190 | 300 | 250 | 211 | 3 | 8-φ26 | GTD160/GTE210 |
| 200 | 152 | 524/1030 | 275/380 | 665/760 | 215 | 375 | 320 | 284 | 3 | 12-φ26 | GTD210/GTE300 |
| 250 | 165 | 648/1129 | 324/460 | 752/858 | 265 | 450 | 385 | 315 | 3 | 12-φ33 | GTD255/GTE350 |
| 300 | 178 | 715/1129 | 380/460 | 820/880 | 305 | 515 | 450 | 409 | 4 | 16-φ33 | GTD300/AW28S |
| 350 | 190 | 795/1845 | 460/545 | 938/940 | 340 | 580 | 610 | 465 | 4 | 16-φ36 | GTD350/AW28S |
| 400 | 216 | 715/1129 | 380/527 | 970/1055 | 360 | 660 | 585 | 535 | 4 | 16-φ39 | AW28/AW35S |
| 450 | 222 | 1380/2605 | 545/545 | 1005/1090 | 400 | 685 | 610 | 560 | 4 | 20-φ39 | AW28/AW35S |
| 500 | 229 | 1860/2605 | 545/545 | 1145/1185 | 430 | 755 | 670 | 615 | 4 | 20-φ42 | AW35/AW40S |
| 600 | 267 | 1860/2605 | 545/545 | 1195/1235 | 490 | 890 | 795 | 735 | 4 | 20-φ48 | AW35/AW40S, , |