產品概述
電動直通O型切斷球閥,具有切斷性能,當閥全開時,其流路和管道內徑基本相同,壓力損失極小,其特點是密封性能好,流向不限,動作靈活,維修方便,使用壽命長,是一種旋轉型自動操作閥門,接受開關量信號,只需旋轉1/4周就能實現閥門全開或全閉作用,適用于各種液體、氣體、含纖維、微小顆粒漿類流體。
O型球閥有兩種設計結構,浮動球閥與固定球閥,浮動球型價格便宜,多見于低壓小口徑。固定球閥不會因受壓,球體向閥座移動,因而閥座受壓小,轉矩小,壽命長。
廣泛適用于石化、冶金、電力、輕工、醫藥等工業部門生產過程控制中。
產品特點
本身密封可靠,結構簡單,維修方便,密封面與球面常在閉合狀態,不易被介質沖蝕,易于操作和維修,適用于水、溶劑、酸和天然氣等一般工作介質,而且還適用于工作條件惡劣的介質,如氧氣、過氧化氫、甲烷和乙烯等,在各行業得到廣泛的應用。
1.流體阻力小,全通徑的球閥基本沒有流阻。
2.結構簡單、體積小、重量輕。
3.緊密可靠。它有兩個密封面,而且目前球閥的密封面材料廣泛使用各種塑料,密封性好,能實現完全密封。在真空系統中也已廣泛使用。
4.操作方便,開閉迅速,從全開到全關只要旋轉90°,便于遠距離的控制。
5.維修方便,球閥結構簡單,密封圈一般都是活動的,拆卸更換都比較方便。
6.在全開或全閉時,球體和閥座的密封面與介質隔離,介質通過時,不會引起閥門密封面的侵蝕。
7.適用范圍廣,通徑從小到幾毫米,大到幾米,從高真空至高壓力都可應用。
8.由于球閥在啟閉過程中有擦拭性,所以可用于帶懸浮固體顆粒的介質中。
技術參數
■ 閥體
型 式:直通鑄造球型閥
公稱通徑:15、20、25、32、40、50、65、80、125、150、200、250、300、350、400mm
公稱壓力:PN1.6、2.5、4.0、6.4MPa
法蘭標準:JB/T79.1-94、79.2-94等
材 料:鑄鋼(ZG230-450)、鑄不銹鋼(ZG1Cr18Ni9Ti、ZG1Cr18Ni12Mo2Ti)等
上 閥 蓋:與閥體成一整體 -45~+400℃
壓蓋型式:螺栓壓緊式
填 料:V型聚四氟乙烯填料、含浸聚四氟乙烯石棉填料、石棉紡織填料、石墨填料
■ 閥內組件
閥芯型式:球型閥芯
流量特性:快開特性
材 料:鑄不銹鋼(ZG1Cr18Ni9Ti、ZG1Cr18Ni12Mo2Ti)
額定行程:全開90°
■ 執行機構
型 式:3810R、PSQ、DCL、HQ 電子式電動執行機構
輸入信號:1-5V·DC
電源電壓:220V/50Hz
環境溫度:-25~+70℃
■ 閥作用型式
電關式(B)、電開式(K)
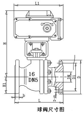
外形尺寸

| 公稱通徑DN | L | D | H | L1 | D1 | b | Z-d1 | H1 | L2 |
| 壓力MPA | 1.6/2.5/4.0 | 1.6/2.5/4.0 | | | 1.6/2.5/4.0 | 1.6/2.5/4.0 | 1.6/2.5/4.0 | | |
| 15 | 130/130/140 | 95 | 275 | 160 | 65 | 14/16/16 | 4-14 | 48 | 208 |
| 20 | 140/140/150 | 105 | 280 | 160 | 75 | 14/16/16 | 4-14 | 53 | 208 |
| 25 | 150/150/165 | 115 | 287 | 196 | 85 | 14/16/16 | 4-14 | 58 | 208 |
| 32 | 165/165/180 | 135 | 384 | 196 | 100 | 16/18/18 | 4-18 | 68 | 208 |
| 40 | 180/180/200 | 145 | 312 | 196 | 110 | 16/18/18 | 4-18 | 73 | 208 |
| 50 | 200/200/220 | 160 | 325 | 196 | 125 | 16/20/20 | 4-18 | 80 | 208 |
| 65 | 220/220/250 | 180 | 335 | 255 | 145 | 18/22/22 | 4-18/8-18/8-18 | 90 | 256 |
| 80 | 250/250/280 | 195 | 365 | 255 | 160 | 20/22/22 | 8-18 | 98 | 256 |
| 100 | 280/280/320 | 215/230/230 | 400 | 255 | 180/190/190 | 20/24/24 | 8-18/8-23/8-23 | 120 | 256 |
| 125 | 320/320/360 | 245/270/270 | 420 | 255 | 210/220/220 | 24/28/30 | 8-23/8-25/8-25 | 140 | 256 |
| 150 | 360/360/400 | 280/300/300 | 440 | 255 | 240/250/250 | 24/28/30 | 8-23/8-25/8-25 | 167 | 256 |
| 200 | 400/400/550 | 335/360/375 | 470 | 255 | 295/310/320 | 26/34/38 | 12-23/12-25/ 12-30 | 210 | 256 |
| 250 | 630 750 | 405 470 | 545 | 310 | | | | | |
| 300 | 750 870 | 460 530 | 580 | 310 | | | | | |