產品概述
● 各種流體可以處理
● 彈簧式止回閥,吸入功率自強易安裝。
● 聚四氟乙烯隔膜更耐用。
● 容易在遠程控制,能與電磁閥連接
性能曲線

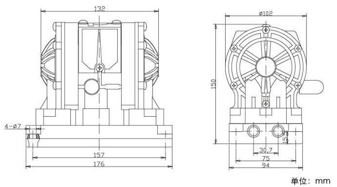
安裝尺寸圖

技術參數
最大工作壓力 Max.working Pressu Re | 100psi(0.7Mpa ,7bar) |
最大流量 Max.flowRate | 4.5gpm(17lpm) |
最大往復速度 Max.reciprocating Speed | 干運轉Dry running 320cpm 濕運轉Wet running 250cpm |
最大虹吸高度(干抽) Max.suction Height (d Ry Sucking) | 3m |
最大輸送固體顆粒 Max.permitted Grain | 0.5mm |
最大空氣消耗量 Max.air Consumption | 9.0scfm(0.252m3/min) |
空氣進口尺寸 Air Inlet Size | 1/4in.npt(f)1/4in.bsp(f) |
空氣出口尺寸 Air Outlet Size | 1/4in.npt(f)1/4in.bsp(f) |
流體進口尺寸 Fluid Inlet Size | 1/4in.npt(f)1/4in.bsp(f) |
流體出口尺寸 Fluid Outlet Size | 1/4in.npt(f)1/4in.bsp(f) |
重量 Weight | 乙縮醛泵Acetal pum p 1.1kg |