產品概述
體積小巧,流量高達150L/min
液體壓力可達7bar
中心體部分由防腐蝕涂層
可靠的空氣換向閥
安全可靠應用廣泛
性能曲線

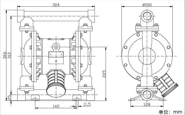
安裝尺寸圖

技術參數
| 最大工作壓力 |
100psi(0.7Mpa,7bar) |
| 最大流量 |
40gpm(150lpm) |
| 最大往復速度 |
276cpm |
| 最大虹吸高度 |
5m |
| 最大輸送固體顆粒 |
4mm |
| 最大空氣消耗量 |
60scfm(1.7m³/min) |
| 空氣進口尺寸 |
1/2in.npt(f) |
| 空氣出口尺寸 |
1/2in.npt(f) |
| 流體進口尺寸 |
1in.npt(f) |
| 流體出口尺寸 |
1in.npt(f) |
| 重量 |
鋁合金泵Aluminum pump 8.2kg
不銹鋼泵Stainless steelpump15lg |