電動法蘭截止閥產品簡介:電動截止閥由電動執行機構和截止閥兩部分組成。閥體材料品種齊全,填料、墊片可根據實際工況或用戶要求合理選配,能適用于各種壓力、溫度及介質工況。閥在管路中主要用來做切斷、分配和改變介質的流動方向,一般不做調節使用,因為調節時不平衡力太大,對閥芯的沖蝕比較厲害。適用給排水、石化、冶金等壓力較高的場合。
電動法蘭截止閥工作原理:
電動截止閥倒密封采用螺紋連接密封座或本體堆焊奧氏體不銹鋼而成,密封可靠,更換填料可在不停機情況下進行,方便快捷,不影響系統運行。 配有多回轉式電動裝置,具有殼體小,重量輕,功能全,并可與遠程電腦配套使用,也可按用戶要求選配電動裝置。電動截止閥適用于公稱壓力PN1.6~16MPa,工作溫度-29~550℃的石油、化工、制藥、化肥、電力行業等各種工況的管路上,切斷或接通管路介質。
電動法蘭截止閥產品特點:
☆閥桿開啟或關閉行程相對較短,具有非常可靠的切斷動作。
☆全開狀態,閥座與閥瓣密封面這間不再有接觸,密封面機械磨損較少。
☆可以安裝在管道的任何位置上,介質從下往上流。
☆不銹鋼截止閥適用于各類腐蝕性介質的管道上,有良好的防腐性和足夠的強度。
☆合金鋼截止閥適用于耐高溫的蒸汽、油品管道上,具有耐高溫特點。
電動法蘭截止閥主要零件材料及主要用途:
| 閥體 | 閥蓋 | 閥瓣 | 密封圈 | 閥桿 | 填料 | 適用介質 | 適用溫度 (≤℃) |
| WCB | WCB+D507MO | D577 | 2Crl3 | 柔性石墨 | 水、油品、蒸汽 | 425 |
| ZGlCrl8Ni9Ti | 0Crl8Ni9Ti+ Stellite12 | Stellite6 | lCrl8Ni9Ti | PTFE | 硝酸類 | 200 |
| ZGlCrl8Ni2Mo2Ti | CF8M+ Stellite12 | lCrl8Ni2Mo2Ti | lCrl8Ni2Mo2Ti | PTFE | 磷酸類、 堿類、混酸 | 200 |
| ZG00Crl7Nil4M02 | CF3M+ Stellite12 | Stel1ite6 | 316L | PTFE | 磷酸類、 尿素、甲銨液 | 200 |
| ZGlCr5MO | ZGlCr5MO+ Stellite12 | Stel1ite6 | 25Cr2Mo1VA | 柔性石墨 | 水、油品、蒸汽 | 550 |
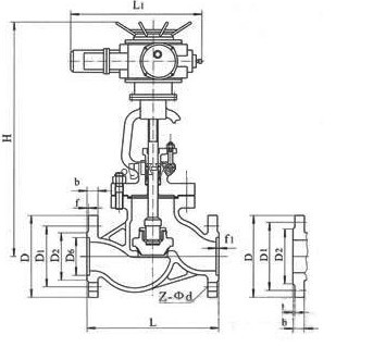
電動法蘭截止閥主要外形尺寸、連接尺寸及質量

公稱壓力 PN(MPa) | 公稱通徑 DN(mm) | 標準值 | 參考值 |
| L | D | D1 | n2 | D6 | b | f | f1 | Z-φd | L1 | H | 質量(kg) |
| 1.6 | 50 | 230 | 160 | 125 | 100 | | 16 | 3 | | 4-φ18 | 590 | 645 | 48 |
| 65 | 290 | 180 | 145 | 120 | | 18 | 3 | | 4-φ18 | 590 | 690 | 60 |
| 80 | 310 | 195 | 160 | 135 | | 20 | 3 | | 8-φ18 | 590 | 715 | 65 |
| 100 | 350 | 215 | 180 | 155 | | 20 | 3 | | 8-φ18 | 590 | 770 | 71 |
| 125 | 400 | 254 | 210 | 185 | | 22 | 3 | | 8-φ18 | 590 | 780 | 119 |
| 150 | 480 | 280 | 240 | 210 | | 24 | 3 | | 8-φ23 | 590 | 810 | 210 |
| 200 | 600 | 335 | 295 | 265 | | 26 | 3 | | 12-φ23 | 810 | 967 | 320 |
| 250 | 622 | 405 | 355 | 320 | | 30 | 3 | | 12-φ25 | 810 | 1143 | 550 |
| 300 | 698 | 460 | 410 | 375 | | 30 | 4 | | 12-φ25 | 830 | 1292 | 785 |
| 2.5 | 50 | 230 | 160 | 125 | 100 | | 20 | 3 | | 4-φ18 | 590 | 645 | 50 |
| 65 | 290 | 180 | 145 | 120 | | 22 | 3 | | 8-φ18 | 590 | 690 | 65 |
| 80 | 310 | 195 | 160 | 135 | | 22 | 3 | | 8-φ18 | 590 | 715 | 67 |
| 100 | 350 | 230 | 190 | 160 | | 24 | 3 | | 8-φ23 | 590 | 770 | 73 |
| 125 | 400 | 270 | 220 | 188 | | 28 | 3 | | 8-φ25 | 590 | 780 | 127 |
| 150 | 480 | 300 | 250 | 218 | | 30 | 3 | | 8-φ25 | 810 | 810 | 215 |
| 200 | 600 | 360 | 310 | 278 | | 34 | 3 | | 12-φ25 | 810 | 967 | 322 |
| 250 | 622 | 425 | 370 | 332 | | 36 | 3 | | 12-φ30 | 830 | 1143 | 585 |
| 300 | 698 | 485 | 430 | 390 | | 40 | 4 | | 16-φ30 | 830 | 1292 | 795 |
| 4.0 | 50 | 230 | 160 | 125 | 100 | 88 | 20 | 3 | 4 | 4-φ18 | 590 | 645 | 61 |
| 65 | 290 | 180 | 145 | 120 | 110 | 22 | 3 | 4 | 8-φ18 | 590 | 690 | 75 |
| 80 | 310 | 195 | 160 | 135 | 121 | 22 | 3 | 4 | 8-φ18 | 590 | 715 | 84 |
| 100 | 350 | 230 | 190 | 160 | 150 | 24 | 3 | 4.5 | 8-φ23 | 590 | 770 | 101 |
| 125 | 400 | 270 | 220 | 188 | 176 | 28 | 3 | 4.5 | 8-φ25 | 810 | 782 | 207 |
| 150 | 480 | 300 | 250 | 218 | 204 | 30 | 3 | 4.5 | 8-φ25 | 810 | 875 | 226 |
| 200 | 600 | 375 | 320 | 282 | 260 | 38 | 3 | 4.5 | 12-φ30 | 810 | 1160 | 399 |
| 6.4 | 50 | 300 | 175 | 135 | 105 | 88 | 26 | 3 | 4 | 4-φ23 | 590 | 710 | 64 |
| 65 | 340 | 200 | 160 | 130 | 110 | 28 | 3 | 4 | 8-φ23 | 590 | 750 | 77 |
| 80 | 380 | 210 | 170 | 140 | 121 | 30 | 3 | 4 | 8-φ23 | 590 | 785 | 86 |
| 100 | 430 | 250 | 200 | 168 | 150 | 32 | 3 | 4.5 | 8-φ25 | 810 | 837 | 171 |
| 125 | 500 | 295 | 240 | 202 | 176 | 36 | 3 | 4.5 | 8-φ30 | 810 | 1031 | 243 |
| 150 | 550 | 340 | 280 | 240 | 204 | 38 | 3 | 4.5 | 8-φ34 | 830 | 1066 | 296 |
| 200 | 650 | 405 | 345 | 300 | 260 | 44 | 3 | 4.5 | 12-φ34 | 830 | 1213 | 420 |
| 10.0 | 50 | 300 | 195 | 145 | 112 | 88 | 28 | 3 | 4 | 4-φ25 | 590 | 714 | 81 |
| 65 | 340 | 220 | 170 | 138 | 110 | 32 | 3 | 4 | 8-φ25 | 590 | 734 | 102 |
| 80 | 380 | 230 | 180 | 148 | 121 | 34 | 3 | 4 | 8-φ30 | 810 | 847 | 175 |
| 100 | 430 | 265 | |