電動四通球閥概述:
1、流體阻力小:球體和閥體的連接管道截面相等,且球體通道采用圓弧連接,介質通過球體時,流體阻力小。
2、密封性能: 閥座采用具有一定彈性變形和高強度的PTFE材料,達到良好密封性能保證了閥門的穩定性。
3、使用壽命長:閥門的閥芯和光頸材料采用不銹鋼,閥座材料選用PTFE,能達到良好的抗腐蝕性作用,延長了閥門使用壽命。
適用場景:
氣動四通法蘭球閥適用于各種輕重工業及樓宇管道.廣泛應用于:化工、石化、石油、造紙、采礦、電力、液化氣、食品、制藥、給排水、市政、機械設備配套、電子工業,城建等領域。
零部件材料
閥體/閥蓋 | GB | WCB | ZGlCrl8Ni9Ti | ZGOCfl8Nil2M02Ti |
| ASTM | WCB | CF8 | CF8M |
| 球體 | GB | 2Crl3 | 1Cfl8Ni9Ti | 0Cfl8Ni12M02Ti |
| ASTM | 420 | 304 | 316 |
閥桿 | GB | 2Crl3 | 1Crl8Ni9Ti | 0Crl8Ni12M02Ti |
| ASTM | 420 | 304 | 316 |
閥座 | GB | 聚四氟乙烯 | 對位聚苯 | 聚四氟乙烯 | 對位聚苯 | 聚四氟乙烯 | 對位聚苯 |
| ASTM | 聚四氟乙烯 | 對位聚苯 | 聚四氟乙烯 | 對位聚苯 | 聚四氟乙烯 | 對位聚苯 |
填料 | GB | 聚四氟乙烯 | 柔性石墨 | 聚四氟乙烯 | 柔性石墨 | 聚四氟乙烯 | 柔性石墨 |
| ASTM | 聚四氟乙烯 | 柔性石墨 | 聚四氟乙烯 | 柔性石墨 | 聚四氟乙烯 | 柔性石墨 |
螺栓 | GB | 35 | 0Crl8Ni9 | 0Crl8Ni9 |
| ASTM | A193B7 | A320-B8 | A320-B8 |
螺母 | GB | 45 | 0Cfl8Ni9 | 0Crl8Ni9 |
| ASTM | A1942H | A194-8 | A194-8 |
技術參數
| 閥體形閥體式 | 四通鑄造閥體 |
| 公稱通徑 | DN15~300mm |
| 公稱壓力 | PN1.6、2.5、4.0 Mpa;ANSI 150、300LB;JIS 10、20、30K |
| 法蘭標準 | JB/T79.2-1994、ASME/ANSI B165 |
| 連接形式 | 法蘭式 |
| 壓蓋型式 | 壓蓋壓緊式 |
| 密封填料 | V型聚四氟乙烯填料、柔性石墨填料等 |
| 設計和制造 | GB/T12237-1989;APl608 |
| 檢驗和試驗 | GB/T13927-1992;Apl 598 |
| 執行器型號 | GT、AT、AR、AW系列單雙作用氣動執行器 |
執行器參數
| 執行器型號 | GT、AT、AR、AW系列單雙作用氣動執行器 |
| 供氣壓力 | 0.4~0.7MPa |
| 氣源接口 | G1/4"、G1/8"、G3/8"、G1/2" |
| 環境溫度 | -30~+70℃ |
| 作用形式 | 單作用執行機構:氣關式(B)--失氣時閥位開(FO);氣開式(K)--失氣時閥位關(FC) 雙作用執行機構:氣關式(B)--失氣時閥位保持(FL);氣開式(K)--失氣時閥位保持(FL) |
| 可配附件 | 定位器、電磁閥、空氣過濾減壓器、保位閥、行程開關、閥位傳送器、手輪機構等 |
性能規范
| 公稱壓力(Mpa) | 常溫最大工作壓力(Mpa) | 殼體試驗壓力(Mpa) | 氣密封試驗壓力(Mpa) | 高壓密封試驗壓力(Mpa) |
| PN1.6 | 1.6 | 2.4 | 0.6 | 1.76 |
| PN2.5 | 2.5 | 3.8 | 0.6 | 2.75 |
| PN4.0 | 4.0 | 6.0 | 0.6 | 4.4 |
| l50LB | 2.0 | 3.0 | 0.6 | 2.2 |
流向原理圖

結構圖

性能
閥座泄漏率:完全切斷無泄漏
注:1、GTE為單作用執行機構,GTD為雙作用執行機構。
2、GTD52型執行機構帶手輪機構時,應增大一檔為GTD65。
3、括號內選用的執行機構,適用于非潤滑的干氣介質及壓差較大場合。
壓力等級 | 試驗壓力(Mpa) |
公稱壓力(PN) | 磅級(Class) | 殼體試驗 | 密封試驗 |
1.0 | - | 1.5 | 1.1 |
1.6 | - | 2.5 | 1.76 |
2.5 | - | 3.8 | 2.75 |
4.0 | - | 6.0 | 4.4 |
- | 150 | 3.0 | 2.2 |
- | 300 | 7.6 | 5.6 |
- | 600 | 15.0 | 11.0 |
- | 10K | 2.4 | 1.5 |
- | 20K | 5.8 | 4.0 |
技術規范試驗壓力
設計依據 | 國標系列 | 美標系列 |
設計標準 | GB/T12237 | AP16D | ANSI B16.34 |
法蘭連接結構長度 | GB/T12221 | AP16D | ANSI B16.10 |
結構長度(焊接) | GB/T15188.1 | AP16D | ANSI B16.10 |
連接法蘭 | GB/T9113 JB/T79 Hg20592 | ANSI B16.5、B16.47 |
對焊端 | GB/T12224 | ANSI B16.25 |
試驗和檢驗 | GB/T9092 | AP16D | AP1598 |
8、整機工作原理
當把手輪機構打到自動檔的情況下,執行機構上的電磁閥接收到信號后,壓縮空氣進入活塞式執行機構氣缸,從而推動活塞移動,活塞上的連桿帶動執行機構主軸旋轉,主軸上的連接套帶動連接軸,閥桿,球芯旋轉,使閥打開或關閉,從而完成對介質通、斷的控制。在把手輪機構打到手動控制時,可以手動控制閥的開啟、關閉和調節,當閥芯轉到你所期望的開度時,手輪機構實現自鎖。

?電磁閥:配二芯線一根
?限位開關:配四芯線一根
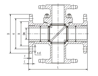
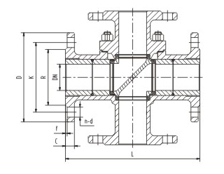
9、Q641氣動球閥主要外形和連接尺寸(配GT系列氣動執行器)

連接尺寸
| DN | L | D | K | R | C | f | n-d |
| 15 | 150 | 95 | 65 | 45 | 14 | 2 | 4-14 |
| 20 | 164 | 105 | 75 | 55 | 16 | 2 | 4-14 |
| 25 | 180 | 115 | 85 | 65 | 16 | 2 | 4-14 |
| 32 | 200 | 135 | 100 | 78 | 18 | 2 | 4-18 |
| 40 | 220 | 145 | 110 | 85 | 18 | 3 | 4-18 |
| 50 | 240 | 160 | 125 | 100 | 20 | 3 | 4-18 |
| 65 | 260 | 180 | 145 | 120 | 20 | 3 | 4-18 |
| 80 | 280 | 195 | 160 | 135 | 20 | 3 | 8-18 |
| 100 | 320 | 215 | 180 | 155 | 22 | 3 | 8-18 |
| 125 | 380 | 245 | 210 | 185 | 22 | 3 | 8-18 |
| 150 | 440 | 28 | 240 | 210 | 24 | 3 | 8-23 |
| 200 | 550 | 335 | 295 | 265 | 24 | 3 | 12-23 |
| 250 | 670 | 405 | 355 | 320 | 30 | 3 | 12-25 |
| 300 | 850 | 460 | 410 | 375 | 30 | 4 | 12-25 |
注:由于產品改進技術創新參數可能有一定變化,公司不另行通知,請咨詢公司技術部門索取最新數據。
配GTE\GTD執行機構O型球閥外形尺寸圖
●PN16主要外形和連接法蘭尺寸
注:1、括號內為非潤滑的干氣介質及壓差較大場合執行機構的尺寸。
2、系列球閥結構長度及連接法蘭尺寸可根據JB78—59標準或用戶要求設計制造。
3、根據不同閥門扭矩,使用不同介質,適配的執行器型號可能有所不同,相關尺寸隨之變化。
10、可配附件
電磁閥、行程開關、空氣過濾減壓器、電/氣閥門定位器等
11、訂購須知
1.請在訂貨時提供詳細口徑規格、交貨地地、交貨時間。
2.根據管道需要,決定選用往復式(二位開關式)或彈簧復位式(常閉或常開式)。
3.可選配控制附件:(1)單電控電磁閥(斷電進常閉或常開),(2)雙電控電磁閥(開關式),
(3)閥位開關回訊器,(4)氣源處理三聯件。特殊使用環境(易燃易爆場合),何選防爆型。