產品概述
● 各種流體可以處理
● 彈簧式止回閥,吸入功率自強易安裝。
● 聚四氟乙烯隔膜更耐用。
● 容易在遠程控制,能與電磁閥連接
性能曲線

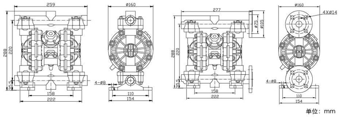
安裝尺寸圖

技術參數
最大往復速度 Max.reciprocating Speed | 400cpm |
最大虹吸高度 Max.suction Height | 4m |
最大輸送固體顆粒 Max.permitted Grain | 3/32in.(2.5mm) |
最大空氣消耗量 Max.ai R Consumption | 28scfm(0.672m3/min) |
空氣進口尺寸 Air Inlet Size | 1/4in.npt(f) |
空氣出口尺寸 Air Outlet Size | 3/8in.npt(f) |
流體進口尺寸 Fluid Inlet Size | 1/2 and 3/4in.npt(f)or bspt(f) |
流體出口尺寸 Fluid Outlet Size | 1/2 and 3/4in.npt(f)or bspt(f) |
重量 Weight | 聚丙烯泵PP pump 2.7kg |