111
產品概述
多端口設計易于安裝
可外接電磁閥,便于遙控操作
啟動迅速,自吸力強
性能曲線

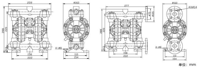
安裝尺寸圖

技術參數
| 最大工作壓力 |
100psi(0.7Mpa,7bar) |
最大流量 |
13.2gpm(50lpm) |
最大往復速度 |
400cpm |
最大虹吸高度 |
4m |
最大輸送固體顆粒 |
3/32in.(2.5mm) |
最大空氣消耗量 |
28scfm(0.672m³/min) |
空氣進口尺寸 |
1/4in.npt(f) |
空氣出口尺寸 |
1/4in.npt(f) |
流體進口尺寸 |
1/2and3/4in.npt(f)orbspt(f) |
流體出口尺寸 |
1/2and3/4in.npt(f)orbspt(f) |
重量 |
PVDF pump 3.7kg
聚丙烯泵PP pump 2.7kg |
聲明:本文中所有文字、數據、圖片均只適用于參考,性能參數、結構尺寸參數、液動蝶閥價格等詳情,請聯系我們,電話:021-59170722!