氣動法蘭式硬密封蝶閥采用三偏心多層次金屬密封結構,無機械磨損,可達到零泄漏,有優良的雙向密封功能,是用于石油、化工、冶金、電力、食品、醫藥、給排水、氣體輸送等不同介質的管路上作調節流量。
選用不同的材質,可分別適用于水、污水、海水、空氣、蒸汽、煤氣、可燃氣體、腐蝕性介質、油品及食品等介質,最高工作溫度可達600℃。
一、產品特點及優點
氣動三偏心蝶閥顧名思義,就是給蝶閥了做了三次偏心,這種設計工藝使得三偏心蝶閥擁有廣泛的應用領域,它不僅具備了軟密封蝶閥那樣良好的密封性能,同時擁有硬密封蝶閥耐高溫高壓的特性。之所以擁有這些優點,得益于三偏心蝶閥獨特的結構。
三偏心蝶閥結構圖

三偏心蝶閥的三個三篇分別是指:
第1個偏心:閥軸位于閥板軸后面,使得密封能夠完全緊密環繞接觸整個閥座。
第2個偏心:閥軸中心線偏離管道和閥門中心線,這就免受閥門開啟和關閉的干擾。
第3個偏心:閥座錐體軸偏離閥軸中心線,這樣可以在關閉和開啟過程中消除摩擦作用,并且實現環繞整個閥座的均勻一致的壓縮密封效果。
三偏心蝶閥巧妙的把三偏心都放在了閥板上,在閥板的外邊緣采用部分外球面結構。此結構需使用自行設計的簡單夾具在數控機床上完成,外偏心球面經拋光 處理達到粗糙度Ra0.4,球面鍍鉻或堆司太萊合金,硬度達到HRC45~60。
把偏心角放在閥板上,閥座用壓圈壓在閥體上,解決了普通三偏心蝶閥加工中遇到的困難,閥體、閥板、閥座配對使用不能互換,損壞之后維修成本過高等一系列問題 ,且所有零件模塊化,庫房管理簡單,加工簡單、維修方便,降低備件成本。
三偏心蝶閥適合制作大口徑閥門,可以廣泛應用到石油的輸送管道切斷,冶金鋼廠,煤氣總管道調節、切斷,化工冶煉裝置介質調節切斷,水處理設備進、出水調節切斷,熱電站的冷卻水系統,天然氣,堿液,海水、酸液等行業中
二、應用標準
1.質量保證:ISO9001
2.設計:參照GB12338,MSS-SP-68
3.結構體長度:參照GB12221-89
4.法蘭標準:JB/T79.1-94;ANSI;JIS;DIN及其它標準
5.測試標準:GB/T4213-92,API598
三、工作原理
氣動執行機構提供閥板開啟和關閉所需的扭矩,所需供氣壓力為:400KPa-700KPa(最高1000KPa),供氣壓力增加,其輸出力矩會增大。當需對閥門開度進行調節時,需配置定位器,此時輸入信號(標準電信號4~20mA)變化時,通過定位器精確的控制性能,按照力平衡原理,使閥門動作并準確定位。如配用智能閥門定位器,則可接受現場總線信號。如配上閥位傳送器,則可將閥門實際開度以電信號反饋回控制室。當需閥門執行開關兩位功能時,需配置電磁閥,以它的通斷來控制執行機構的進、排氣孔工作,從而完成輸出力矩轉向且讓閥門迅速打開或關閉。為了在斷電或斷氣時閥門復位,可選用彈簧復位執行機構。為了使氣源壓力穩定,可以在執行機構之前加入減壓閥,同時,為了在氣源壓力降低或發生故障時保持閥門位置,可以在執行機構之前加入鎖止閥。為了將閥門在開、關位置狀態以電信號反饋給控制室,可以在執行機構頂部加入限位開關。當系統出現故障時,可以使用手輪取代執行機構輸出力矩讓閥板轉動。手動自動之間切換自如。
| 公稱通徑DN(mm) | 50-2000(DN800以上請與公司市場營銷部或技術部聯系) |
| 公稱壓力PN(Mpa) | 1.6 | 2.5 | 4.0 |
| 公稱壓力(Mpa) | 強度試驗 | 2.4 | 3.75 | 6.0 |
| 密封試驗 | 1.76 | 2.75 | 4.4 |
| 材料\材料代號 | C | P | R |
| 主要零件 | 閥體 | WCB | ZG1Cr18Ni9Ti | ZG0Cr18Ni12Mo2Ti |
| 蝶板 | WCB | ZG1Cr18Ni9Ti | ZG0Cr18Ni12Mo2Ti |
| 閥桿 | 2Cr13 | 1Cr18Ni9Ti | 0Cr18Ni12Mo2Ti |
| 密封圈 | 四氟 不銹鋼 |
| 填料 | 四氟 柔性石墨 |
| 適用工況 | 適用介質 | 水、蒸汽、油品 | 硝酸類 | 醋酸類 |
| 適用溫度 | 碳鋼:-29℃~425℃不銹鋼:-40℃~550℃ |
| 執行器 | 型號 | GT系列、AT系列、AW系列 |
| 氣源壓力 | 0.4-0.7Mpa |
額定CV值
DN閥門口徑 | 50 | 80 | 100 | 125 | 150 | 200 | 250 | 300 | 350 | 400 | 450 | 500 | 600 |
60°開度 | 80 | 130 | 240 | 380 | 650 | 1130 | 1800 | 2510 | 3300 | 4280 | 5440 | 6760 | 9710 |
90°開度 | 160 | 265 | 490 | 770 | 1350 | 2350 | 3640 | 5020 | 6900 | 9030 | 11950 | 14000 | 2060 |
DN閥門口徑 | 700 | 800 | 900 | 1000 | 1100 | 1200 | 1300 | 1400 | 1600 | 1800 | 2000 | 2400 | |
60°開度 | 13620 | 17890 | 22190 | 25990 | 32500 | 38800 | 45500 | 51400 | | | | | |
90°開度 | 27880 | 36540 | 44950 | 57630 | 67700 | 600 | 96600 | 109600 | | | | | |

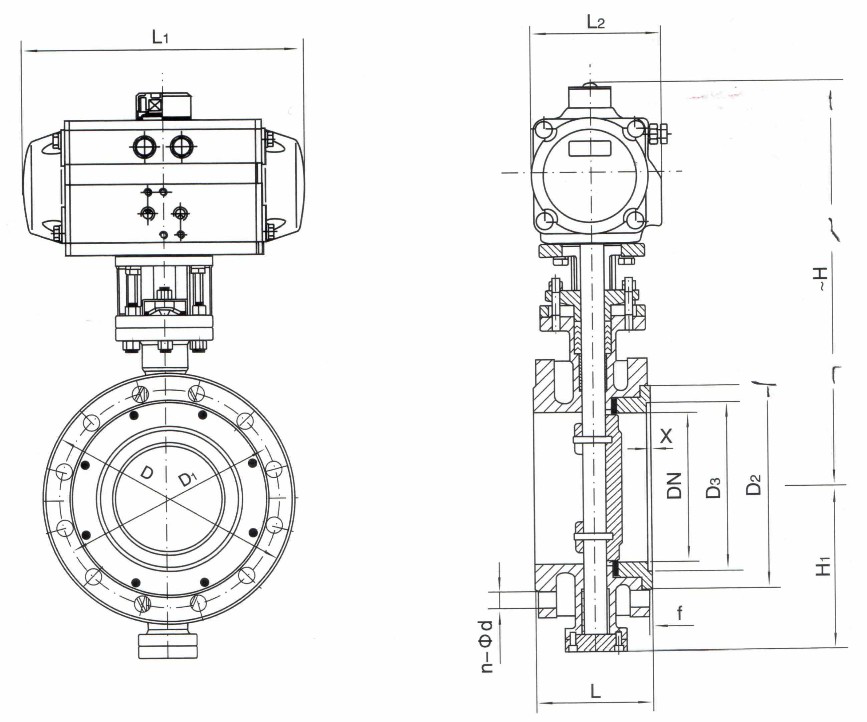
主要外形及連接尺寸D643(H、Y、F)-16(1.6MPpa)主要外形及連接尺寸D643(H、Y、F)-16(1.6MPpa)
主要外形及連接尺寸D643(H、Y、F)-16(1.6MPpa)
主要外形及連接尺寸D643(H、Y、F)-16(1.6MPpa)
| 公稱通徑 DN | 外形尺寸 | 連接尺寸 | 執行器型號 |
| L | L1 | L2 | H | H1 | D | D1 | D2 | f | n-φd |
| 50 | 108 | 164/214 | 75/91 | 277/205 | 65 | 165 | 125 | 99 | 3 | 4-φ18 | GTD65/GTE80 |
| 65 | 112 | 164/214 | 75/91 | 287/315 | 75 | 185 | 145 | 118 | 3 | 4-φ18 | GTD65/GTE80 |
| 80 | 114 | 190/246 | 91/101 | 365/375 | 85 | 200 | 160 | 132 | 3 | 8-φ18 | GTD80/GTE90 |
| 100 | 127 | 210/295 | 101/112 | 420/436 | 130 | 220 | 180 | 156 | 3 | 8-φ18 | GTD90/GTE100 |
| 125 | 140 | 247/398 | 112/139 | 436/462 | 175 | 250 | 210 | 184 | 3 | 8-φ18 | GTD100/GTE125 |
| 150 | 140 | 308/478 | 139/176 | 466/543 | 190 | 285 | 240 | 211 | 3 | 8-φ22 | GTD125/GTE160 |
| 200 | 152 | 378/724 | 176/228 | 593/665 | 215 | 340 | 295 | 266 | 3 | 12-φ22 | GTD160/GTE210 |
| 250 | 165 | 432/928 | 206/275 | 682/752 | 265 | 405 | 355 | 319 | 3 | 12-φ26 | GTD190/GTE255 |
| 300 | 178 | 524/928 | 228/275 | 725/772 | 305 | 460 | 410 | 370 | 4 | 12-φ26 | GTD210/GTE255 |
| 350 | 190 | 648/1033 | 275/324 | 832/880 | 340 | 520 | 480 | 429 | 4 | 16-φ26 | GTD255/GTE300 |
| 400 | 216 | 648/1129 | 275/380 | 862/968 | 360 | 580 | 525 | 480 | 4 | 16-φ30 | GTD255/GTE350 |
| 450 | 222 | 715/1845 | 324/527 | 945/1005 | 400 | 640 | 585 | 548 | 4 | 20-φ30 | GTD300/AW28S |
| 500 | 229 | 795/1845 | 380/527 | 1058/1060 | 430 | 715 | 650 | 609 | 4 | 20-φ33 | GTD350/AW28S |
| 600 | 267 | 795/2605 | 380/545 | 1108/1195 | 490 | 840 | 770 | 720 | 5 | 20-φ36 | GTD350/AW35S |
| 700 | 292 | 1380/2605 | 1170/1255 | 1170/1255 | 555 | 910 | 840 | 794 | 5 | 24-φ36 | AW28/AW35S |
| 800 | 318 | 1860/2605 | 1325/1365 | 1325/1365 | 620 | 1025 | 950 | 901 | 5 | 24-φ39 | AW35/AW40S |
注:數據XXX/XXX分別是氣動執行器雙作用式/單作用式<彈簧復位>。
根據不同的閥門扭矩,使用介質選配,不同的執行器型號,其相關尺寸隨之變化。
GT系列氣動執行器可配至DN600,AW系列氣動執行器可配蝶閥至DN200--1600。
主要外形及連接尺寸主要外形及連接尺寸D643(H、Y、F)-25(2.5MPpa)
公稱通徑 DN | 外形尺寸 | 連接尺寸 | 執行器型號 |
| L | L1 | L2 | H | H1 | D | D1 | D2 | f | n-φd |
| 50 | 108 | 164/214 | 75/91 | 277/305 | 65 | 165 | 125 | 99 | 3 | 4-φ18 | GTD65/GTE80 |
| 65 | 112 | 164/214 | 75/91 | 287/325 | 75 | 185 | 145 | 118 | 3 | 8-φ18 | GTD65/GTE90 |
| 80 | 114 | 190/295 | 91/112 | 365/391 | 85 | 200 | 160 | 132 | 3 | 8-φ18 | GTD80/GTE100 |
| 100 | 127 | 210/340 | 101/127 | 420/457 | 130 | 235 | 190 | 156 | 3 | 8-φ22 | GTD90/GTE115 |
| 125 | 140 | 247/395 | 112/139 | 436/462 | 175 | 270 | 220 | 184 | 3 | 8-φ26 | GTD100/GTE125 |
| 150 | 140 | 308/438 | 139/176 | 466/543 | 190 | 300 | 250 | 211 | 3 | 8-φ26 | GTD125/GTE160 |
| 200 | 152 | 378/724 | 176/228 | 593/665 | 215 | 360 | 310 | 274 | 3 | 12-φ26 | GTD160/GTE210 |
| 250 | 165 | 432/928 | 206/275 | 682/752 | 265 | 425 | 370 | 330 | 3 | 12-φ30 | GTD190/GTE255 |
| 300 | 178 | 524/1033 | 228/324 | 702/820 | 305 | 485 | 430 | 389 | 4 | 16-φ30 | GTD210/GTE300 |
| 350 | 190 | 648/1129 | 275/380 | 832/938 | 340 | 555 | 490 | 448 | 4 | 16-φ33 | GTD255/GTE350 |
| 400 | 216 | 715/1129 | 324/380 | 910/968 | 360 | 620 | 550 | 503 | 4 | 16-φ36 | GTD300/GTE350 |
| 450 | 222 | 795/1845 | 380/527 | 1005/1010 | 400 | 670 | 640 | 548 | 4 | 20-φ36 | GTD350/AW28S |
| 500 | 229 | 795/1845 | 380/527 | 1058/1065 | 430 | 730 | 660 | 609 | 4 | 20-φ36 | GTD350/AW28S |
| 600 | 267 | 1380/2605 | 507/545 | 1110/1195 | 490 | 845 | 770 | 770 | 4 | 20-φ39 | AW28/AW35S |
| 700 | 292 | 1860/2605 | 545/545 | 1255/1295 | 555 | 960 | 875 | 875 | 5 | 24-φ42 | AW28/AW40S |
| 800 | 318 | 1860/2605 | 545/545 | 1325/1365 | 1085 | 1085 | 990 | 990 | 5 | 24-φ48 | AW35/AW40S |
主要外形及連接尺寸D643(H、Y、F)-40(40MPpa)
公稱通徑 DN | 外形尺寸 | 連接尺寸 | 執行器型號 |
| L | L1 | L2 | H | H1 | D | D1 | D2 | f | n-φd |
| 50 | 108 | 164/214 | 75/91 | 277/305 | 65 | 165 | 125 | 99 | 3 | 4-φ18 | GTD65/GTE80 |
| 65 | 112 | 190/295 | 91/112 | 310/341 | 75 | 185 | 145 | 118 | 3 | 8-φ18 | GTD80/GTE100 |
| 80 | 114 | 210/340 | 106/127 | 375/412 | 85 | 200 | 160 | 132 | 3 | 8-φ18 | GTD90/GTE115 |
| 100 | 127 | 247/398 | 139/176 | 436/462 | 130 | 235 | 190 | 156 | 3 | 8-φ22 | GTD100/GTE125 |
| 125 | 140 | 308/478 | 176/228 | 13 | 175 | 270 | 220 | 184 | 3 | 8-φ26 | GTD125/GTE160 |
| 150 | 140 | 378/724 | 228/324 | 543/615 | 190 | 300 | 250 | 211 | 3 | 8-φ26 | GTD160/GTE210 |
| 200 | 152 | 524/1030 | 275/380 | 665/760 | 215 | 375 | 320 | 284 | 3 | 12-φ26 | GTD210/GTE300 |
| 250 | 165 | 648/1129 | 324/460 | 752/858 | 265 | 450 | 385 | 315 | 3 | 12-φ33 | GTD255/GTE350 |
| 300 | 178 | 715/1129 | 380/460 | 820/880 | 305 | 515 | 450 | 409 | 4 | 16-φ33 | GTD300/AW28S |
| 350 | 190 | 795/1845 | 460/545 | 938/940 | 340 | 580 | 610 | 465 | 4 | 16-φ36 | GTD350/AW28S |
| 400 | 216 | 715/1129 | 380/527 | 970/1055 | 360 | 660 | 585 | 535 | 4 | 16-φ39 | AW28/AW35S |
| 450 | 222 | 1380/2605 | 545/545 | 1005/1090 | 400 | 685 | 610 | 560 | 4 | 20-φ39 | AW28/AW35S |
| 500 | 229 | 1860/2605 | 545/545 | 1145/1185 | 430 | 755 | 670 | 615 | 4 | 20-φ42 | AW35/AW40S |
| 600 | 267 | 1860/2605 | 545/545 | 1195/1235 | 490 | 890 | 795 | 735 | 4 | 20-φ48 | AW35/AW40S |
主要外形及連接尺寸D673(H、Y、F)-16(1.6Mpa)
| 公稱通徑 DN | 外形尺寸 | 連接尺寸 | 執行器型號 * |
| L | L1 | L2 | H | H1 | D | D1 | n-φd |
| 50 | 43 | 164214 | 75/91 | 277/205 | 65 | 165 | 125 | 4-φ18 | GTD65/GTE80 |
| 65 | 46 | 164/214 | 75/91 | 287/315 | 75 | 185 | 145 | 4-φ18 | GTD65/GTE80 |
| 80 | 46 | 190/246 | 91/101 | 365/375 | 85 | 200 | 160 | 8-φ18 | GTD80/GTE90 |
| 100 | 52 | 210/295 | 101/112 | 420/436 | 130 | 220 | 180 | 8-φ18 | GTD90/GTE100 |
| 125 | 56 | 247/398 | 112/139 | 436/462 | 175 | 250 | 210 | 8-φ18 | GTD100/GTE125 |
| 150 | 56 | 308/478 | 139/176 | 466/543 | 190 | 285 | 240 | 8-φ22 | GTD125/GTE160 |
| 200 | 60 | 378/724 | 176/228 | 593/665 | 215 | 340 | 295 | 12-φ22 | GTD160/GTE210 |
| 250 | 68 | 432/928 | 206/275 | 682/752 | 265 | 405 | 355 | 12-φ26 | GTD190/GTE255 |
| 300 | 78 | 524/928 | 228/275 | 725/772 | 305 | 460 | 410 | 12-φ26 | GTD210/GTE255 |
| 350 | 78 | 648/1033 | 275/324 | 832/880 | 340 | 520 | 470 | 16-φ26 | GTD255/GTE300 |
| 400 | 102 | 648/1129 | 275/380 | 862/968 | 360 | 580 | 525 | 16-φ30 | GTD255/GTE350 |
| 450 | 114 | 715/1845 | 324/527 | 945/1005 | 400 | 640 | 585 | 20-φ30 | GTD300/AW28S |
| 500 | 127 | 795/1845 | 380/527 | 1058/1060 | 430 | 715 | 650 | 20-φ33 | GTD350/AW28S |
| 600 | 154 | 795/2605 | 380/545 | 1108/1195 | 490 | 840 | 770 | 20-φ36 | GTD350/AW35S |
| 700 | 165 | 1380/2605 | 527/545 | 1170/1255 | 555 | 910 | 840 | 24-φ36 | AW28/AW35S |
| 800 | 190 | 1860/2605 | 545/545 | 1325/1365 | 620 | 1025 | 950 | 24-φ39 | AW35/AW40S |
注:數據XXX,XXX分別是氣動執行器雙作用式/單作用式(彈簧復位)。
*根據不同的閥門扭矩、使用介質選配,不同的執行器型號.其相關尺寸隨之變化。
GT系列氣動執行器可配至DN600,AW系列氣動執行器可配蝶閥至DN200~1600。
主要外形及連接尺寸D673(H、Y、F)-25(2.5Mpa)
| 公稱通徑 DN | 外形尺寸 | 連接尺寸 | 執行器型號 * |
| L | L1 | L2 | H | H1 | D | D1 | n-φd |
| 50 | 43 | 164/214 | 75/91 | 277/305 | 65 | 165 | 125 | 4-φ18 | GTD65/GTE80 |
| 65 | 46 | 164/214 | 75/91 | 287/325 | 75 | 185 | 145 | 8-φ18 | GTD65/GTE90 |
| 80 | 46 | 190/295 | 91/112 | 365/391 | 85 | 200 | 160 | 8-φ18 | GTD80/GTE100 |
| 100 | 52 | 210/340 | 101/127 | 420/457 | 130 | 235 | 190 | 8-φ22 | GTD90/GTE115 |
| 125 | 56 | 247/395 | 112/139 | 436/462 | 175 | 270 | 220 | 8-φ26 | GTD100/GTE125 |
| 150 | 56 | 308/438 | 139/176 | 466/543 | 190 | 300 | 250 | 8-φ26 | GTD125/GTE160 |
| 200 | 60 | 378/724 | 176/228 | 593/665 | 215 | 360 | 310 | 12-φ26 | GTD160/GTE210 |
| 250 | 68 | 432/928 | 206/275 | 682/752 | 265 | 425 | 370 | 12-φ30 | GTD190/GTE255 |
| 300 | 78 | 524/1033 | 228/324 | 702/820 | 305 | 485 | 430 | 16-φ30 | GTD210/GTE300 |
| 350 | 78 | 648/1129 | 275/380 | 832/938 | 340 | 555 | 490 | 16-φ33 | GTD255/GTE350 |
| 400 | 102 | 715/1129 | 324/380 | 910/968 | 360 | 620 | 550 | 16-φ36 | GTD300/GTE350 |
| 450 | 114 | 795/184 | 380/527 | 1005/1010 | 400 | 670 | 640 | 20-φ36 | GTD350/AW28S |
| 500 | 127 | 795/1845 | 280/527 | 1058/1065 | 430 | 730 | 660 | 20-φ36 | GTD350/AW28S |
| 600 | 154 | 1380/2605 | 507/545 | 1110/1195 | 490 | 845 | 770 | 20-φ39 | Aw28/AW35S |
| 700 | 165 | 1860/2605 | 545/545 | 1255/1295 | 555 | 960 | 875 | 24-φ42 | Aw35/AW40S |
| 800 | 190 | 1860/2605 | 545/545 | 1325/1365 | 620 | 1085 | 990 | 24-φ48 | AW35/AW40S |
主要外形及連接尺寸D673(H、Y、F)-40(4.0MPpa)
| 公稱通徑 DN | 外形尺寸, | 連接尺寸 | 執行器型號 * |
| L | L1 | L2 | H | H1 | D | D1 | n-φd |
| 50 | 43 | 164/214 | 75/91 | 277/305 | 65 | 165 | 125 | 4-φ18 | GTD65/GTE80 |
| 65 | 46 | 190/295 | 91/112 | 310/341 | 75 | 185 | 145 | 8-φ18 | GTD80/GTE100 |
| 80 | 46 | 210/340 | 106/127 | 375/412 | 85 | 200 | 160 | 8-φ18 | GTD90/GTE115 |
| 100 | 52 | 247/398 | 139/176 | 436/462 | 130 | 235 | 190 | 8-φ22 | GTD100/GTE125 |
| 125 | 56 | 308/478 | 176/228 | 462/513 | 175 | 270 | 220 | 8-φ26 | GTD125/GTE160 |
| 150 | 56 | 378/724 | 228/324 | 543/615 | 190 | 300 | 250 | 8-φ26 | GTD160/GTE210 |
| 200 | 60 | 524/1030 | 275/380 | 665/760 | 215 | 375 | 320 | 12-φ30 | GTD210/GTE300 |
| 250 | 68 | 648/1129 | 324/460 | 752/858 | 265 | 450 | 385 | 12-φ33 | GTD255/GTE350 |
| 300 | 78 | 715/1845 | 380/460 | 820/880 | 305 | 515 | 450 | 16-φ33 | GTD300/AW28S |
| 350 | 78 | 795/1845 | 460/545 | 938/940 | 340 | 580 | | | |
四、選購氣動閥門需確定以下幾個參數
產品名稱:
產品型號:
公稱壓力:
公稱通徑:
閥體材質:
連接方式:
氣動執行器系列:雙作用往復式(二位開關式)或單作用彈簧復位式(常閉或常開式)
類型:雙作用氣缸,單作用氣缸
電磁閥電源:AC220V、380V、110V,DC24V
防護類型:普通型、防爆型
附件(可多選):電磁閥、空氣過濾減壓閥、限位開關、手輪傳動裝置、電氣閥門定位器
介質名稱:
介質溫度:
使用壓力: